09 Apr,2026
What is the efficiency rating of a K Series helical bevel gearmotor compared to a worm gearbox?
FFB5 flange mounted parallel shaft-helical gear reducer is a high-performance, high-precision transmission equipment, widely used in various industrial fields. This product is manufactured with advanced design concepts and international standards, and has the characteristics of compact structure, performance, and flexible installation.
FFB5 flange mounted parallel shaft-helical gear reducer adopts two-stage or three-stage helical gear transmission, the output shaft is perpendicular to the input shaft, and the transmission part is composed of two-stage helical gears and spiral bevel gears, ensuring high efficiency and high precision transmission effect. Its reduction ratio range is 3.77 to 281.71, which can meet the needs of different application scenarios.
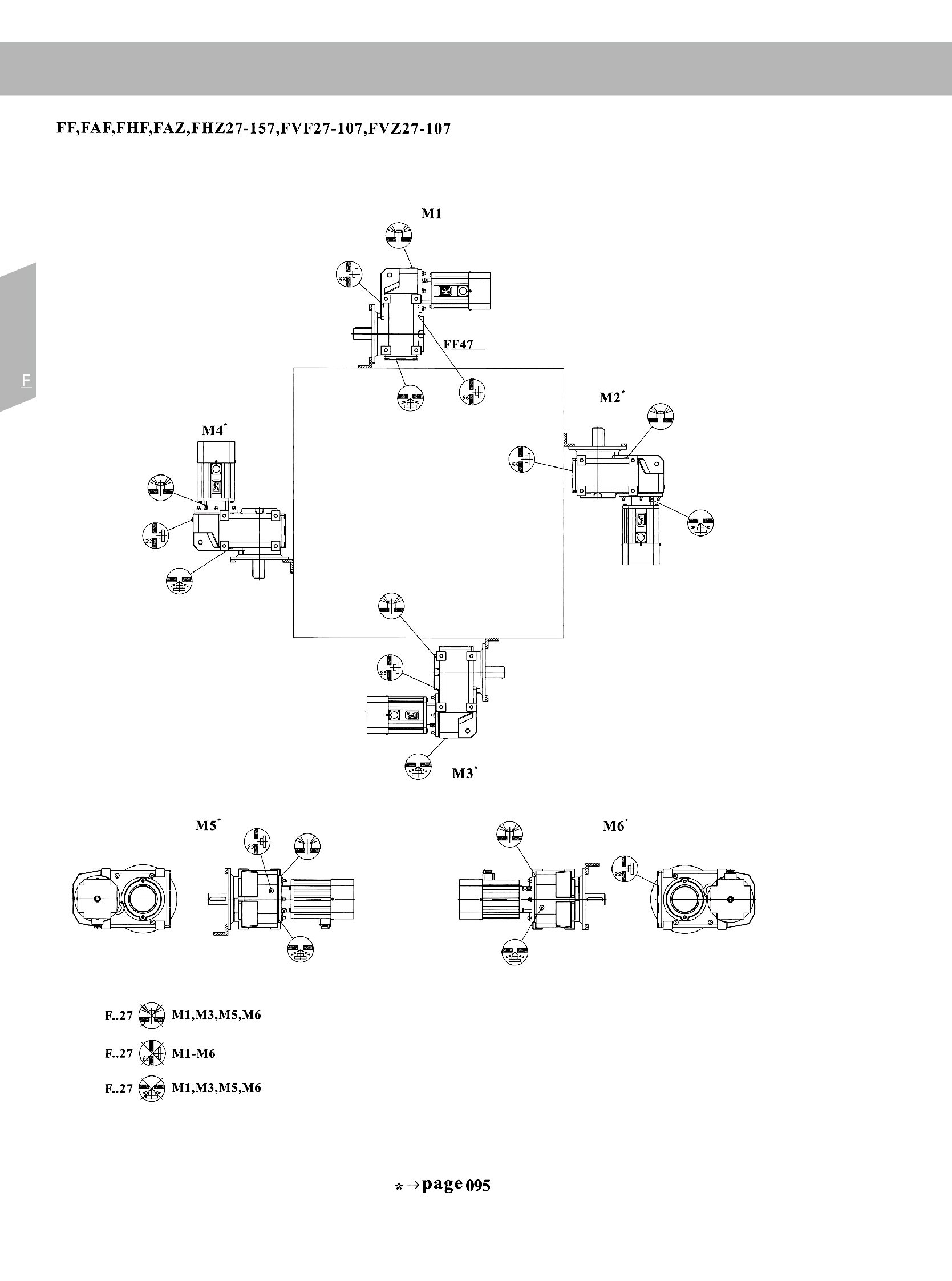
The output shaft of the reducer can be a solid shaft or a hollow shaft, and users can choose the appropriate output shaft form according to specific needs. In addition, FFB5 series reducers also support a variety of installation methods, including foot installation, flange installation, etc., suitable for different installation environments and equipment configurations.
FFB5 flange mounted parallel shaft-helical gear reducer is made of high-quality alloy steel material, the surface is hardened, and the cast iron box ensures rigidity, making it have the advantages of strong load-bearing capacity, long life, low noise, and low vibration. Its design life can reach tens of thousands of hours, which is suitable for industrial equipment that runs continuously for a long time.
In terms of electricity, the FFB5 series reducer can be equipped with motors of different power ranges, ranging from 0.12kW to 200kW, to meet different power requirements. The reducer adopts F-class insulation and IP54 protection level, and can operate stably in harsh environments.
The FFB5 flange-mounted parallel shaft-helical gear reducer also has the characteristics of modular design. Users can combine different reducer and motor components according to their needs to achieve a variety of functions and applications. For example, it can be used with AC squirrel cage motors, AC squirrel cage flameproof motors, brake motors, unidirectional motors, servo motors, etc., and is suitable for various complex industrial application scenarios.
The FFB5 flange-mounted parallel shaft-helical gear reducer is not only suitable for low-speed drive mechanical equipment, but also widely used in industrial fields such as lifting machinery, conveying equipment, mixing equipment, printing equipment, etc.


|
Product Type |
F |
Frame No. |
27-157 |
|
Rated torque |
90-18000N.m |
Input Power |
0.12-200kw |
|
Speed ratio range |
4.18-261.27 |
Installation Type |
M1-M6 |
|
Assembly form |
Anchor installation, flange installation, shaft-mounted torque arm installation |
|
Years Industry Experience
Factory Area
Skillful Employees
Advanced Production Line
09 Apr,2026
03 Apr,2026
24 Mar,2026
19 Mar,2026
12 Mar,2026
05 Mar,2026