09 Apr,2026
What is the efficiency rating of a K Series helical bevel gearmotor compared to a worm gearbox?
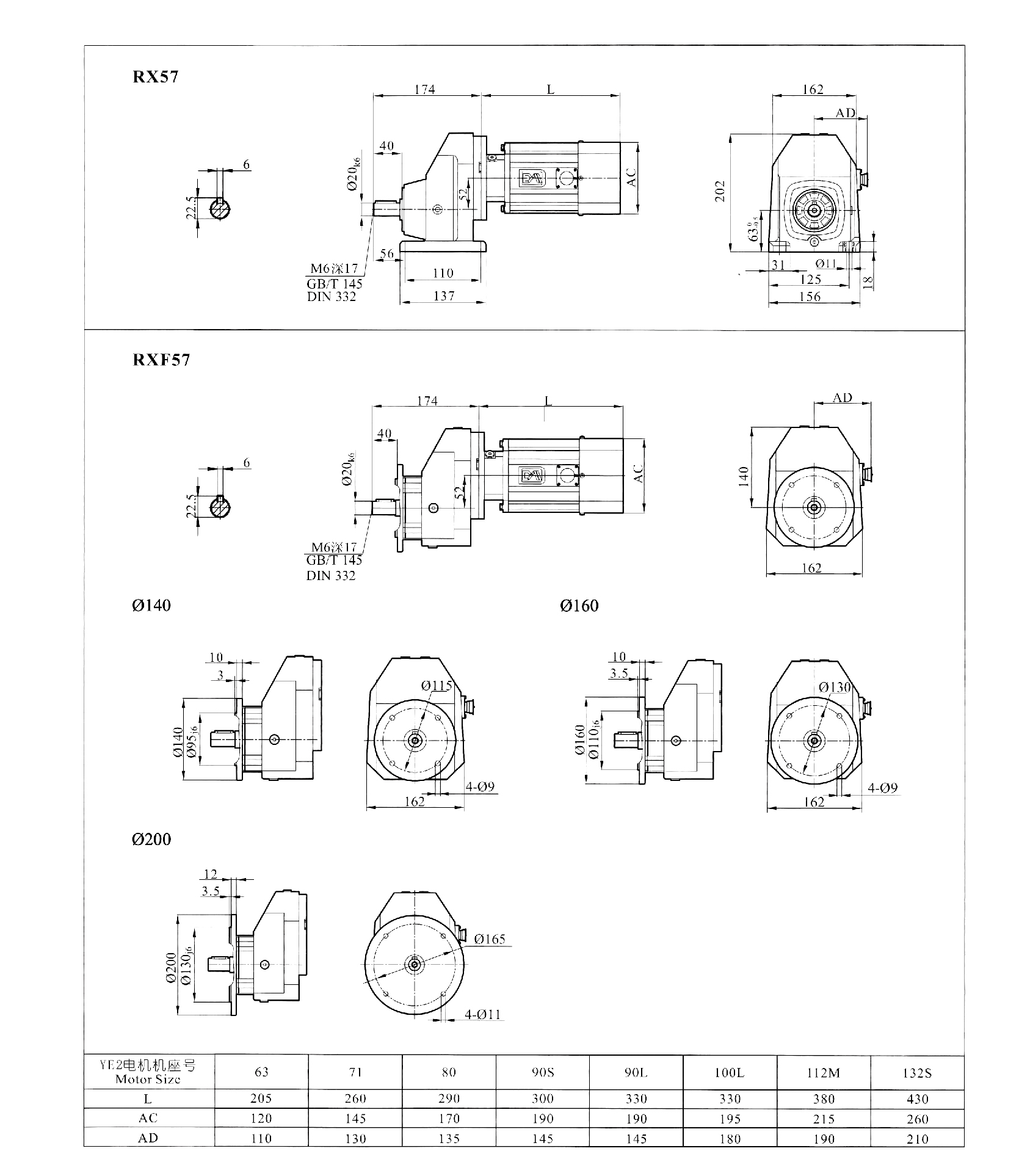
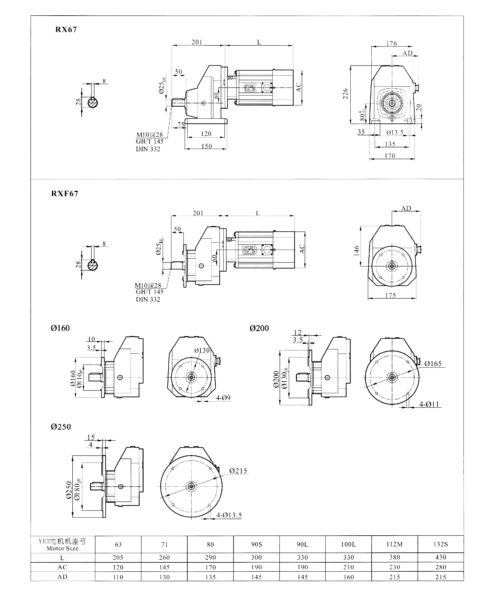
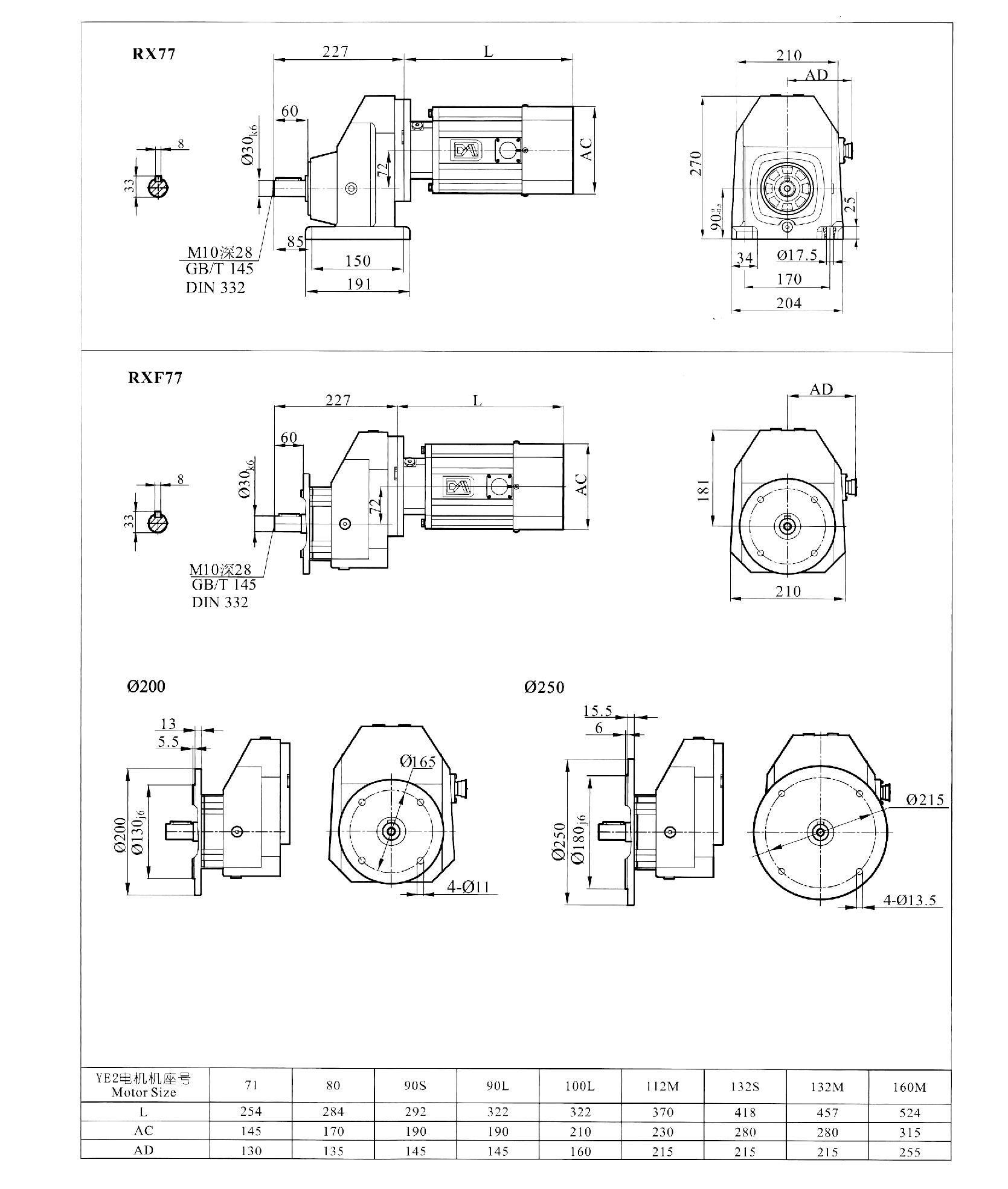
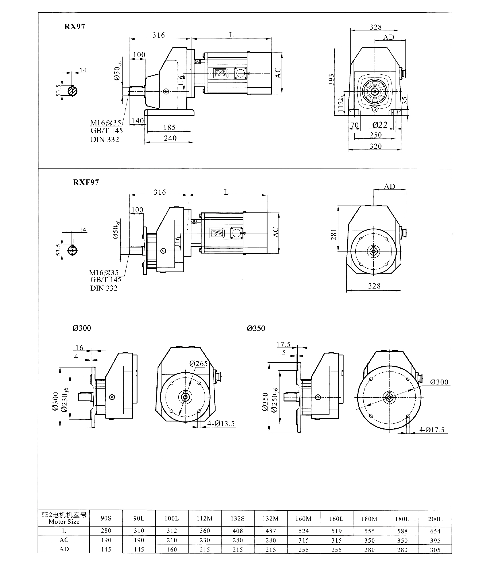
RXF flange mounted single-stage helical gear reducer is a high-performance and high-efficiency transmission device suitable for a variety of industrial application scenarios. This series of products adopts high-strength hardened helical gear transmission, with the characteristics of large torque, strong impact resistance, compact structure, low noise and low energy consumption.
RXF series reducer adopts solid shaft output and supports a variety of installation methods, including flange mounting and foot mounting, to meet the needs of different equipment. Its output torque can reach 28000N.m, and the power range ranges from 0.18kW to 200kW, which is suitable for various applications from light load to heavy load.
The design of this series of reducers focuses on high efficiency and energy saving, with a gear transmission efficiency of up to 95%, low vibration, low noise and long service life. Its compact structure and small size are particularly suitable for application scenarios with limited space.
RXF series reducers are widely used in machine tools, welding equipment, medical equipment, 3D printers, non-destructive testing instruments, electronic component production lines, automation equipment, rail transit, laser cutting machines, hydraulic presses, conveyors, drum screens, water treatment equipment, lifting platforms, gear oil pumps, rotary encoders, laser cutting machines, hydraulic presses, conveyors, drum screens, water treatment equipment, lifting platforms and other industrial fields.






|
Product Type |
R |
Frame No. |
17-167 |
|
Rated torque |
90-18000N.m |
Input Power |
0.12-160kw |
|
Speed ratio range |
1.3-217.91 |
Installation Type |
M1-M6 |
|
Assembly form |
Anchor installation, flange installation |
|
Years Industry Experience
Factory Area
Skillful Employees
Advanced Production Line
09 Apr,2026
03 Apr,2026
24 Mar,2026
19 Mar,2026
12 Mar,2026
05 Mar,2026